Продукция
Пресс-центр
Контакты
Карьера
+7 (473) 227-92-52
Войти
Продукция
Пресс-центр
Контакты
Карьера
+7 (473) 227-92-52
ceo@vzpp-s.ru
2Т970А
Главная
Каталог продукции
Транзисторы
ВЧ и СВЧ мощные транзисторы
2Т970А
Подбор аналога
Программируемые логические интегральные схемы
Интегральные микросхемы
Транзисторы
Диоды
Силовые модули
Изделия в стадии разработки и/или освоения
ВЧ и СВЧ мощные транзисторы
2Т970А
Документация
Параметры
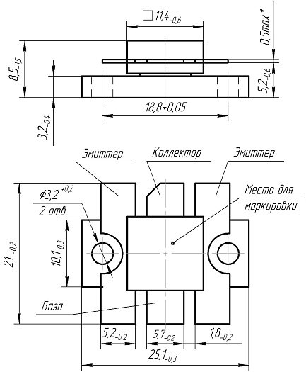
Корпус
КТ-56
ТУ
аА0.339.269ТУ
Аналог
-
f, Мгц
100÷400
Pвых, Вт
100
UКЭ, В
28
Кур, раз
4,0
η, %
50
Функциональные параметры
К сравнению
В Каталог
Корпус
КТ-56
ТУ
аА0.339.269ТУ
Аналог
-
f, Мгц
100÷400
Pвых, Вт
100
UКЭ, В
28
Кур, раз
4,0
η, %
50
Документы для скачивания
К сравнению
В Каталог
КТ-56 СВЧ Т ГЧ.pdf
0
Товар успешно добавлен в сравнение