Продукция
Пресс-центр
Контакты
Карьера
+7 (473) 227-92-52
Войти
Продукция
Пресс-центр
Контакты
Карьера
+7 (473) 227-92-52
ceo@vzpp-s.ru
2Т962В
Главная
Каталог продукции
Транзисторы
ВЧ и СВЧ мощные транзисторы
2Т962В
Подбор аналога
Программируемые логические интегральные схемы
Интегральные микросхемы
Транзисторы
Диоды
Силовые модули
Изделия в стадии разработки и/или освоения
ВЧ и СВЧ мощные транзисторы
2Т962В
Документация
Параметры
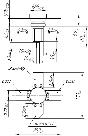
Корпус
КТ-17
ТУ
аА0.339.168ТУ
Аналог
DM40-28
f, Мгц
400÷1000
Pвых, Вт
40
UКЭ, В
28
Кур, раз
3,0
η, %
40
Функциональные параметры
К сравнению
В Каталог
Корпус
КТ-17
ТУ
аА0.339.168ТУ
Аналог
DM40-28
f, Мгц
400÷1000
Pвых, Вт
40
UКЭ, В
28
Кур, раз
3,0
η, %
40
Документы для скачивания
К сравнению
В Каталог
КТ-17 ГЧ СВЧ.pdf
0
Товар успешно добавлен в сравнение