Продукция
Пресс-центр
Контакты
Карьера
+7 (473) 227-92-52
Войти
Продукция
Пресс-центр
Контакты
Карьера
+7 (473) 227-92-52
ceo@vzpp-s.ru
2Т934В
Главная
Каталог продукции
Транзисторы
ВЧ и СВЧ мощные транзисторы
2Т934В
Подбор аналога
Программируемые логические интегральные схемы
Интегральные микросхемы
Транзисторы
Диоды
Силовые модули
Изделия в стадии разработки и/или освоения
ВЧ и СВЧ мощные транзисторы
2Т934В
Документация
Параметры
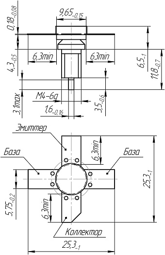
Корпус
КТ-17
ТУ
И93.339.004ТУ
Аналог
2N5637
f, Мгц
100÷400
Pвых, Вт
25
UКЭ, В
28
Кур, раз
3,0
η, %
50
Функциональные параметры
К сравнению
В Каталог
Корпус
КТ-17
ТУ
И93.339.004ТУ
Аналог
2N5637
f, Мгц
100÷400
Pвых, Вт
25
UКЭ, В
28
Кур, раз
3,0
η, %
50
Документы для скачивания
К сравнению
В Каталог
КТ-17 ГЧ СВЧ.pdf
0
Товар успешно добавлен в сравнение